Communications Receiver





This radio is a communications receiver I designed and built in the year 2000. The radio uses the modified TV tuner, model SW-5800, provided by Science Workshop for the front end and 1st and 2nd intermediate frequencies. A Microchip PIC integrated circuit provides frequency control.


Features

Frequency Range
Modes
Tuning
Memory
2-450 MHz
Wideband FM (WBFM)
Narrowband FM (NBFM)
Wideband AM (WBAM)
Narrowband AM (NBAM)
Singel Sideband (SSB)
WBFM Stereo
Subsidary Communications Authority (SCA)
Digitally Synthesized
41 Frequencies




Displays and Controls Summary





Display Details





Keypad Operation


Specifications

Frequency Range
2-450 MHz, continuous
Modes
Wideband FM (WBFM)
Narrowband FM (NBFM)
Wideband AM (WBAM)
Narrowband AM (NBAM)
Singel Sideband (SSB)
WBFM Stereo
Subsidary Communications Authority (SCA)
SCA Frequency
67kHz
Frequency Plan
WBFM
NBFM, AM, SSB

Triple Conversion
Quadruple Conversion
Intermediate Frequencies
1st
2nd
3rd
4th

613 MHz
63 MHz
10.7 MHz
455 kHz
Receiver Bandwidth
WBFM
NBFM
WBAM
NBAM, SSB

280 kHz
12 kHz
12 kHz
6 kHz
Tuning
Digitally-controlled phase locked loop
Tuning Steps
5 kHz, 10 kHz, 100 kHz, 10 MHz, selectable
Tuning Control
Front panel rotary knob; keyboard entry; fine tune control
Memory
41 Frequencies
Controls
Power On/Off
Mode
Volume
Balance
Squelch
BFO
Main Tuning
Fine Tuning
Tuning Step Size
Stereo/Mono
Keyboard
Keyboard Functions
Direct Frequency Entry
Memory Receive
Frequency Save
Temperature Compensation On/Off
Indicators
LCD indicating frequency, dial/memory, step size
Analog meter indicating relative signal strength
Stereo indicator LED
Rear Panel Connectors
Antenna
Left External Speaker
Right External Speaker
Dimensions
11 in wide, 6 in high, 9 in deep
Power Requirements
110 VAC, 60 Hz


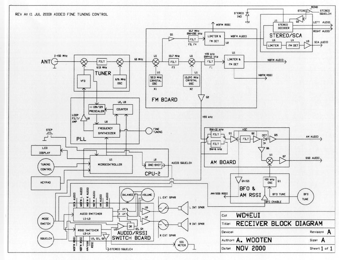
Block Diagram





The picture below is the inside top of the receiver


The picture below is the inside bottom of the the receiver. The large rectangular box on the right is the tuner.


Below is the rear of the receiver. The box in the center houses the power transforer. Heatsinks for the voltage regulators are on the top right.